
オープンショート検査用リレーユニット
OSC-201は、Wi-FiやBluetoothなどに使われる通信モジュールに実装されている部品や配線が正しく実装、接続されているかを確認するための装置です。
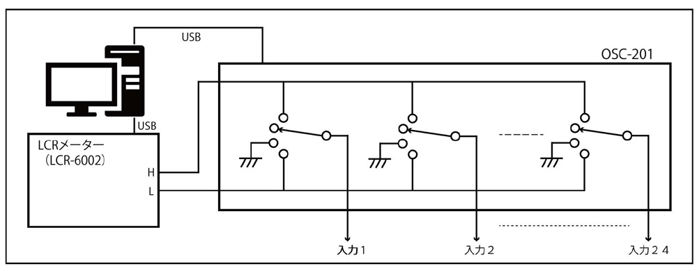
市販のLCRメーターと接続し、微小な交流電流を流すことで、迅速に検査をおこうことができます。
また、外部制御用のUSBポートを有し、PCやPLCとの組み合わせで生産ラインでの自動検査にお使いいただけます。
市販のLCRメーターと接続し、微小な交流電流を流すことで、迅速に検査をおこうことができます。
また、外部制御用のUSBポートを有し、PCやPLCとの組み合わせで生産ラインでの自動検査にお使いいただけます。
特長
最大24チャンネルの端子の任意の2ポイント間の検査をおこなうことができます。
LCRメーターを接続し、USB経由で制御することにより各種条件での検査を用意におこなうことが出来ます。※
特性ソフトウェアにより各種条件の検査プログラムステップを自由に設定することが出来ます。
測定結果をCSVファイルに保存することができます。
※テクシオLCR-6002以外のLCRメーターをご利用の場合は、ソフトウェア(インターフェース)をカスタマイズする必要があります。
ご希望により、デモ機(+LCRメーター)をご用意いたします。
台数には限りがございますのでお早めにご連絡ください。
OSC-201 回路ブロック

主な仕様・性能
電源ボード
| 一般仕様 | ||
|---|---|---|
| 環境条件 | 温度 | 5~35℃ |
| 湿度 | 30~80% (但し、結露状態を除く) | |
| 定格電圧 | AC 100V~240V | |
| 消費電力 | 10VA以下 (AC100V時) | |
| 外形寸法 | 150mm(W) x 150mm(D) x 70mm(H) | |
| 重量 | 1.5kg以下 | |
| 測定部 | ||
| 測定チャンネル数 | 24チャンネル | |
| 印加電圧レベル | 1Vrms | |
| 発振周波数 | 1KHz | |
| 容量測定部 | 測定範囲 | 1pF~2000pF |
| 測定誤差 | ±5% reading+0.5pF | |
| 抵抗測定部 | 測定範囲 | 10Ω~10MΩ |
| 測定誤差 | ±5% reading+0.5Ω | |
| 1チャンネルあたりの測定時間 | 最大1Sec | |
| 外部インターフェース | ||
| USB | PCと接続しチャンネルの切り替えをおこないます。 | |