
2025年9月30日~10月10日の期間、福井大学 工学部4年生の望木さんが、ご来社され一緒に実験を行いました。
望木さんは、医療用ノズルの共同研究を行っている福井大学工学研究科・藤田聡教授の研究室所属の学生です。
「医療用ノズルで生体材料を用いて紡糸」を検証
具体的には、生体材料であるヒアルロン酸ナトリウム(HA)を材料として医療用ノズルで安定に紡糸を行うことの出来る溶液や条件を探していきました。
HA単独の水溶液での紡糸は難しいため、今回は分子量の異なるポリエチレンオキシド(PEO)を添加した水溶液で検証しました。PEOは、生体適合性が高く、生体に直接または間接的に接触して使用される材料のひとつです。
今回はヒアルロン酸ナトリウム(HA)とポリエチレンオキシド(PEO)の水溶液を8つの区分の濃度で混ぜた溶液で検証しました。
| ① | 0.75% HA / 1.0% PEO (分子量200万) |
| ② | 0.75% HA / 2.0% PEO (分子量200万) |
| ③ | 0.75% HA / 3.0% PEO (分子量90万) |
| ④ | 1.0% HA / 2.0% PEO (分子量200万) |
| ⑤ | 1.5% HA / 1.0% PEO (分子量200万) |
| ⑥ | 1.5% HA / 2.0% PEO (分子量200万) |
| ⑦ | 1.5% HA / 2.5% PEO (分子量200万) |
| ⑧ | 1.5% HA / 6.0% PEO (分子量90万) |
※ HAの分散性を向上させるため、すべての溶液は0.1 mol/L HCl水溶液でpHが4.0付近になるように調整しています。
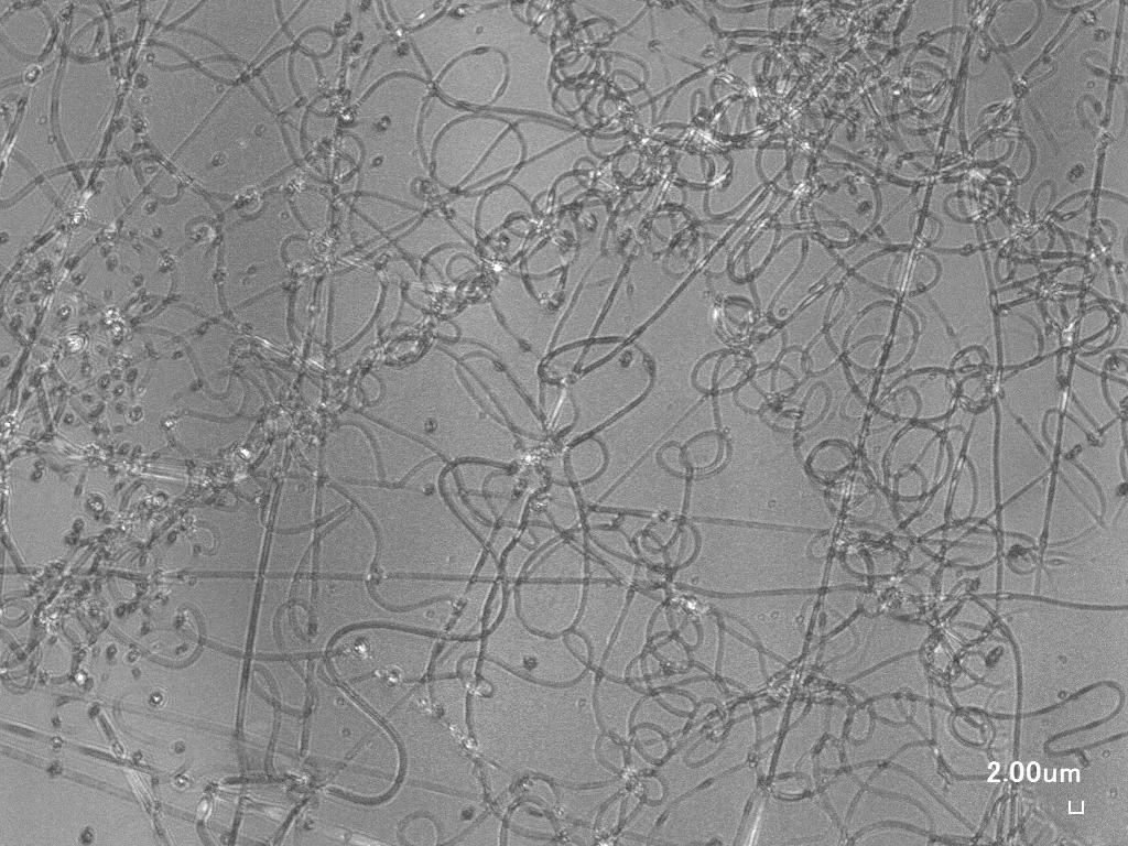
紡糸結果の一例
1.5% HA / 2.5% PEO (分子量200万)の紡糸結果

紡糸が難しいヒアルロン酸ナトリウム(HA)の繊維化について
医療用ノズルで共同研究を行っている福井大学工学研究科・藤田聡教授の研究室所属の望木さんとの検証で
エレクトロスピニングで繊維化させにくいとされるヒアルロン酸ナトリウム(HA)を含むナノファイバーの紡糸に成功しました。
ヒアルロン酸ナトリウム(HA)の紡糸結果などについてご興味があられる方はぜひお問合せください。
⇒お問合せ
紡糸実験・相談会を開催します!
当社には長年の紡糸経験や紡糸のノウハウを持つスタッフが在籍しております。ぜひこの機会にざっくばらんにナノファイバーについてお話しましょう!!
次回予定期日: 2025年12月22日(月) 10:00~15:00
⇒くわしくはコチラ